有问题吗?
雷竞技newbee官网赞助商技术顾问为您服务!
电话:0512-57908019
邮箱:ksdsv_ye@126.com
技术支持:13338056190

- 气动马达请加微信咨询

- 气动搅拌机请加微信咨询

有问题吗?
雷竞技newbee官网赞助商技术顾问为您服务!
电话:0512-57908019
邮箱:ksdsv_ye@126.com
技术支持:13338056190


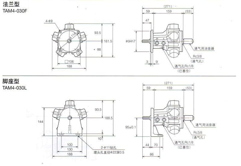
活塞式气动马达特点:
1.使用压缩空气作为动力源,防爆,使用稳定可靠。
2.可长时间连续运转,长时间运转马达温升小,不发热,无需散热。
3.气动马达可无级调速。只需要调节进气量大小,就能轻松实现转速的调节。
4.可实现正反转,气动马达通过改变进排气方向即能实现输出轴的正转和反转,并且可以瞬时换向。
气马达换向工作的一个主要优点是它在瞬时可升到全速的能力。实现正反转的时间短,速度快,冲击性小,
而且不需卸负荷。
5.工作方便,不受振动、高温、电磁、辐射等影响,适用于恶劣的工作环境,在易燃、易爆、高温、
振动、潮湿、粉尘等不利条件下均能正常工作。
6.有过载保护作用,不会因过载而发生故障。负载过大时,气动马达只是降低转速或停止,当过载解除,
立即可以重新正常运转,并不产生机件损坏等故障。
7.具有较高的起动力矩,可以直接带载荷起动。起动、停止均迅速。可以带负荷启动。
8.功率范围及转速范围较宽。功率小至几百瓦,大至上千瓦;转速可从零一直到每分钟上千转不等。
9.气马达具有结构简单,体积小,重量轻,马力大,操纵容易,维修方便等特点。
10.活塞式气动马达根据功率、扭矩的要求可配装减速机,提升扭矩。
11.活塞式气动马达耗气量底,扭力大,噪音低,提高工作效率,品质保证,节能经济。
气动马达行业应用:油漆涂料、油墨、胶水、环氧树脂、化合物、聚合物、油脂等危险易燃易爆等液体的
搅拌;混合使用;同时可用于矿山机械、油田、化工、造纸、 炼钢、 船舶、 航空、
工程机械制造等设备传动使用。
咨询热线:0512-57908019














叶片式气动马达生产车间一角

气动马达组装部

气动马达仓库 气动马达壳体

测功机-气动马达功率扭力技术参数检测

气动马达组装部

气动马达性能检测

活塞式气动马达1个月包换,3年全国联保

专注raybet电竞官网行业15年,大品牌有保障

500强企业之选,服务客户超过10000国内外企业




咨询热线
0512-57908019
售后咨询

截图发销售,享马达九五折优惠

抖音二维码