有问题吗?
雷竞技newbee官网赞助商技术顾问为您服务!
电话:0512-57908019
邮箱:ksdsv_ye@126.com
技术支持:13338056190

- 气动马达请加微信咨询

- 气动搅拌机请加微信咨询

有问题吗?
雷竞技newbee官网赞助商技术顾问为您服务!
电话:0512-57908019
邮箱:ksdsv_ye@126.com
技术支持:13338056190


DSV牌立式搅拌机适用于溶解、混合、反应、防沉淀等多变的搅拌场合。安装形式为桶装夹式搅拌,安装方便。可根据不同的搅拌要求,选用不同的搅拌器形式,适用于各种容器及塑料容罐及混合池。
由于产品功率,转速,处理量等规格繁多,所以不在这全部列出,如果你现在需要选配搅拌设备,可以立即拨通我们的电话0512-57908019 雷竞技newbee官网赞助商官网:m.zgfadu.com,雷竞技newbee官网赞助商将免费为您提供整套非标设计方案,并协助你完成整个工程的制造工作。

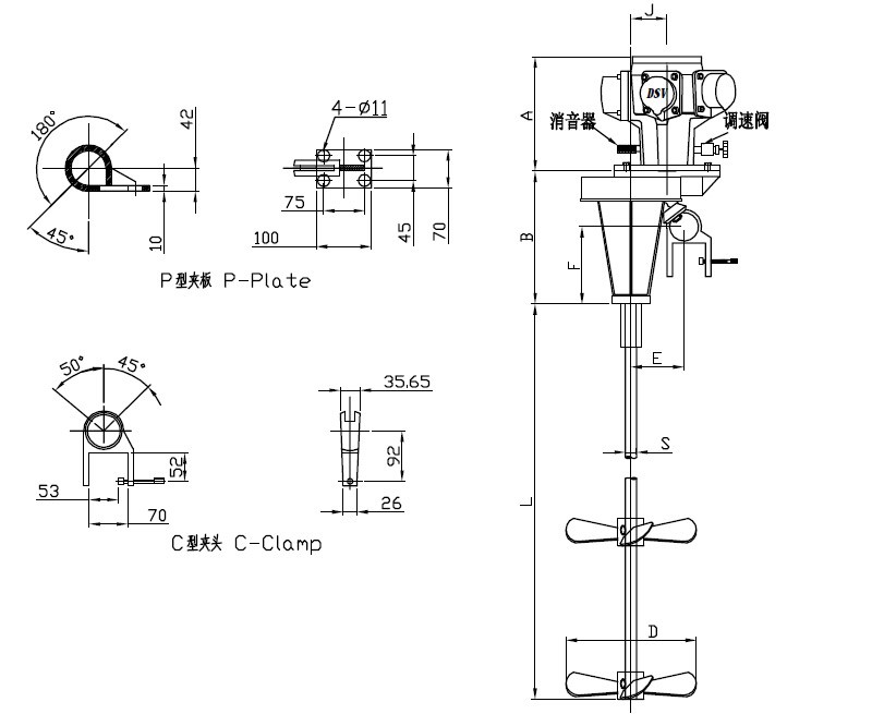
活塞式夹式减速搅拌机平面示意图:

技术参数:
1、工作流体:压缩空气
2、额定使用压力:6kg/c㎡(85PSI)
3、环境温度:—10~+120°
4、防爆,不产生静电,具有自我冷却效果,长时间运转不发热,不起火花
5、超负载使用,不烧损马达,无段调速,可瞬间正逆转向
6、轻巧好携带,可随意调整角度
活塞式夹式减速搅拌机技术参数表:

1)随机所付之叶片为双翼平浆两层,或三翼螺旋桨一层,表面酸洗处理
2)按翼部份之棒叶材质为SUS304其他特殊材质或者包衬涂装,请另行洽询
3)马达搅拌转速以马达实际更高转速1/2为佳













气动搅拌机车间

雷竞技newbee官网赞助商55加仑气动搅拌机配不锈刚桶盖

气动搅拌机车间

55加仑气动搅拌器气动升降柱

气动搅拌机车间

双气缸专用气动搅拌机带防护装置 可按客户需求定制

活塞式气动马达1个月包换,3年全国联保

专注raybet电竞官网行业15年,大品牌有保障

500强企业之选,服务客户超过10000国内外企业




咨询热线
0512-57908019
售后咨询

截图发销售,享马达九五折优惠

抖音二维码