有问题吗?
雷竞技newbee官网赞助商技术顾问为您服务!
电话:0512-57908019
邮箱:ksdsv_ye@126.com
技术支持:13338056190

- 气动马达请加微信咨询

- 气动搅拌机请加微信咨询

有问题吗?
雷竞技newbee官网赞助商技术顾问为您服务!
电话:0512-57908019
邮箱:ksdsv_ye@126.com
技术支持:13338056190


适用物料:
涂料、油漆、油墨、化工、溶剂、化学品、橡胶、染料、树脂;食品饮料、油脂、锡膏、干粉、药品、塑料、胶水等流体物料
粘度:
举例:混合油漆涂料粘度20秒;胶水2000^ 10000厘泊,树脂3500^ 15000CP等不同粘度。大家可以据此判断自己物料粘度的大致情况
详情可以在右下角咨询客服人员
咨询热线:0512-57908019
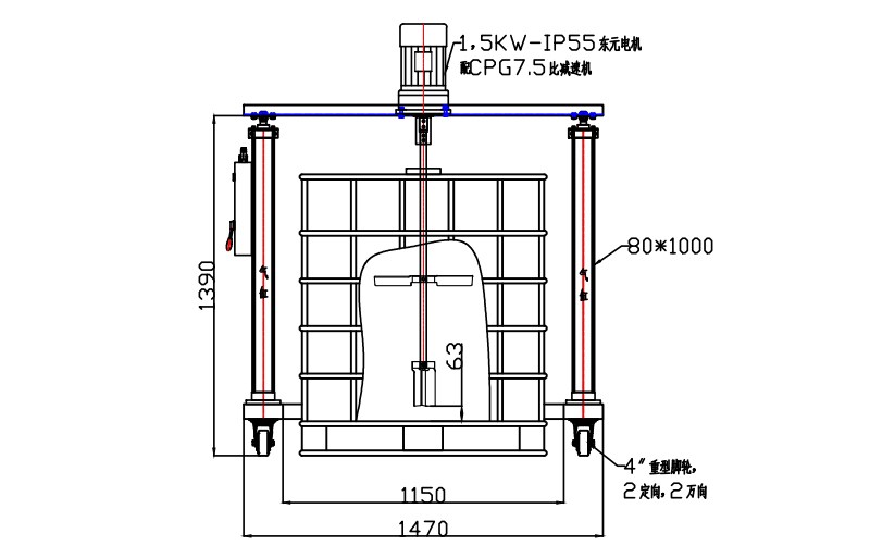
气动升降IBC桶专用搅拌机--双气缸
1 ) 这种类型的气动搅拌机适合于IBC桶用(长1210*宽1010*高1150MM),溶解、混合、
反应、防沉淀等多变的搅拌场合。
2 ) 本机采用双气缸升降,可自由升降,自由调速,自由升降。
3 ) 升降高度离地面1200mm,可将IBC桶准确放入框架内。

规格型号: DA-T2BC双气缸升降型
动力类型: 工作气压:380V 50HZ
搅拌容量 : 1000L 桶大小:1210*1010mm(高度以实际型号为准)
搅拌马达功率 : 电动式0.75~1.1KW(马达功率可根据所搅拌的液
料及所需的转速及扭矩进行选型)
搅拌轴心尺寸 : 国标不锈钢 Φ20×1000mm(以实际型号为准)
空载搅拌转速范围:电动式马达140~2800R.P.M(以实际为准)
气动升降电动式减速马达双气缸专用IBC桶技术参数表:
| 主机功率(kw) | 减速比 | 转速 | 叶片直径 | 轴心尺寸 |
| 0.75kw | 1:5 | 280 | 16*2 | ?20*1000 |
| 1:10 | 142 | 16*2 | ?20*1000 | |
| 1.1KW | 1:5 | 280 | 16*2 | ?20*1000 |
| 1:10 | 142 | 16*2 | ?20*1000 |
气动升降电动式减速马达双气缸专用IBC桶产品尺寸:

DA-T2BC标准IBC桶专用台车式双气动升降搅拌器特点:
1.使用压缩空气为动力源,100%万爆,安全可靠。
2.DSV牌活塞式气动马达;动力强劲;马达性能稳定;故障率低。
3.气动搅拌器可连续24小时运转,长时间运转不产生火花,不发热;温升较小。
4.搅拌器可满载运转,超负荷运转时只会使转速变慢或停止,- 旦解除负载,将恢复运转,不会产生机械故障。
5.可在易燃、易爆、高温、高湿等恶劣工况环境连续安全工作。
6.气动马达可无级调速;调节进气里的大小就可轻松调节转速。
7.可实现正反转操作;通过改变进排气访向就可轻松实现正反转操作。
8.横板式IBC桶气动搅拌器设计结构简单,装采用模块化设计,方便装配,运输。
9.联轴器、搅拌轴及搅拌桨叶采用SUS304#不锈钢材质;耐酸碱,耐腐蚀。
10.联轴器与桨叶采用螺丝固定;方便拆装;清洗维护方便简单。
11.配有2层可伸缩式搅拌桨叶,不搅拌时收拢,收据时外径只有90mm;搅拌时快速张开,张开外径可达400m;伸缩式搅拌桨叶可轻松放入桶口直径160m以内的IBC吨桶。
12.推车式机架配有4个3英寸定向轮,2个万向轮带刹车;同时配有推车扶手,轻松移动机架,方便在各个吨桶中搅拌。
13.双气缸自由升降可轻松将搅拌机升起,推入IBC吨桶桶口位置,轻松放入桶内;双气缸升降同配有双导轨辅助升降装置,升降更稳定。
14.与液体接触部分常规配置为SUS304#不锈钢材质,可定制316L与镀四氟材质。


雷竞技newbee官网赞助商IBC桶专用搅拌机 5大功率特点
1、主机台湾东元电动马达
转矩输出大,连续使用性能好

2、升降高度
四导杆气动升降器,为雷竞技newbee官网赞助商自行开发,上升下降气压工作,高度有效达到1200mm

3、不锈钢搅拌桨叶
特殊IBC桶专用伸展浆叶,伞型设计的叶片可以轻易穿过IBC直径140mm桶口,转动后叶片张开达到搅拌效果,停止 时叶片合闭

4、升降器控制阀
气动升降机控制阀,可上升,下降,中间停止,三档位控制搅拌,马达调速升降控制气动三联件,阀组集成控制更方便,美观

5、移动滑轮
4英寸重型脚拴刹车,使推行和搅拌时更平稳,也更耐用




气动搅拌机车间

雷竞技newbee官网赞助商55加仑气动搅拌机配不锈刚桶盖

气动搅拌机车间

55加仑气动搅拌器气动升降柱

气动搅拌机车间

双气缸专用气动搅拌机带防护装置 可按客户需求定制

活塞式气动马达1个月包换,3年全国联保

专注raybet电竞官网行业15年,大品牌有保障

500强企业之选,服务客户超过10000国内外企业




咨询热线
0512-57908019
售后咨询

截图发销售,享马达九五折优惠

抖音二维码